Questão
2019
CRESCER CONSULTORIAS
Prefeitura Municipal de Brejo de Areia (MA)
Técnico de Laboratório (Pref Brejo de Areia/MA)
VER HISTÓRICO DE RESPOSTAS
2379624238
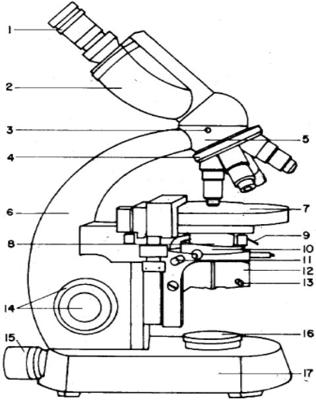
As partes componentes de um microscópio óptico representados pelos números 9 e 14 do desenho abaixo, referem-se respectivamente a:
A
Diafragma do condensador e Controle de focalização macro e micro.
B
Parafusos de centralização do Condensador e Diafragma de iluminação.
C
Manipulador da lente do Condensador e Controle de focalização macro e micro.
D
Diafragma de iluminação e Manipulador da lente do Condensador.
Responder
Ver solução e comentários