Questão
2009
CESGRANRIO
Usinas Termelétricas do Ceará
Engenheiro de Termelétrica Júnior Eletrônica (TERMOCEARÁ)
VER HISTÓRICO DE RESPOSTAS
4000535704
  
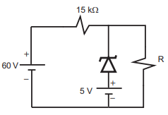
No circuito da figura acima, o Diodo Zener é considerado ideal e opera, em sua região ativa, com tensão nominal de 16 V. Qual o valor do resistor R, em k𝛀, para que a corrente no Zener seja de 2 mA?
A
40
B
35
C
15
D
10
E
5