Questão
2022
IFPI
Instituto Federal de Educação, Ciência e Tecnologia do Piauí
Engenharia Elétrica (IFPI)
VER HISTÓRICO DE RESPOSTAS
4001193605
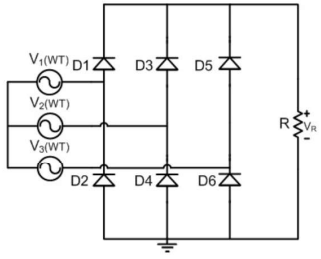
Seja o retificador trifásico de onda completa a diodo (não controlado) apresentado abaixo. Se a tensão de pico da fonte de alimentação CA vale 311 V (tensão de pico), R = 10 Ω e f = 60 Hz, o valor da potência transferida à carga será:


A
265 W
B
2.650 W
C
26.500 W
D
1.650 W
E
16.500 W