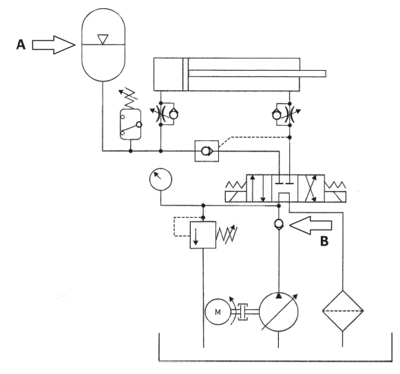
Considere a Figura do circuito hidráulico de uma prensa, representado abaixo, para responder à questão.


FIALHO, A.B., Automação Hidráulica – Projetos, Dimensionamento e Análise de Circuitos, 6ª Ed. São Paulo: Érica, 2011, pág.141. Adaptado.
A função exercida, nesse circuito, pelo elemento indicado pela letra A é de